Persoonlijke instellingen

Verlichting in gebouwen met gloeilampen

Uit BeneluxSpoor.net - Encyclopedie
Ga naar: navigatie, zoeken
Hoofdpagina  Categorie-index  Index  Menu
Vorige | Volgende

Onder redactie van: BeneluxSpoor.net / Auteur: Fred Eikelboom


In dit artikel behandelen wij de verlichting in gebouwen met gloeilampen.

Inleiding

Op een natuurgetrouwe modelspoorbaan moet vanzelfsprekend verlichting in de huizen, kantoor- en fabriekspanden aanwezig zijn. We kunnen zelfs flitslichten (bijvoorbeeld laslicht) in een fabriekshal nabootsen. Voor de verlichting kunnen we gebruikmaken van gloeilampjes. Wanneer we veel verlichting nodig hebben op onze baan, dan is het aan te bevelen om leds te gebruiken.

De hoeveelheid licht

Op heel veel modelspoorbanen zien we dat huisjes doorgaans (veel) te fel worden verlicht. Less is more... anders krijgen we van die situaties dat de hele baan wordt verlicht door de verlichting in de huisjes. In real life kunnen we een à twee meter vanaf een raam de krant al niet meer lezen, bij het licht dat van binnen komt. De keuze van het aantal lichtpunten is afhankelijk van hoe het bouwwerk is uitgevoerd en hoe groot de oppervlakte van het gebouw is.

De soort licht

We kunnen het beste kijken wat voor licht we op welke plaatst willen imiteren. Willen we een klassieke sfeer, dan is een gele tint een goede keus. Bij een baan uit het stoomtijdperk, past geelachtig licht het best. Dat past bijv. prima in een stationsgebouw van 35 jaar geleden. De sfeer die we willen weergeven, is geheel naar onze eigen smaak. Fiets na zonsondergang eens door een aantal straten, en kijk wat voor verlichting we zien en wat het beste bevalt.

De verschillende ruimten

Een belangrijk uitgangspunt is, dat niet in alle gebouwen licht brandt. Wanneer er wél licht aan is, dan is dat in het echt ook niet in alle ruimten van een gebgebouw. Dit betekent dat in één gebouw de verschillende ruimten gescheiden moeten worden door wanden. Wanneer we werken met verschillende lichtpunten, moeten tussen bijv. de beneden- en bovenverdiepingen lichtdichte afscheidingen aanwezig zijn.

Kijk of er ergens ongewenst licht doorschijnt

Denk er ook aan om op plaatsen waar de bedrading door een plafond gaat, met kit o.i.d de doorvoeropening af te dichten. Dit om het doorschijnen van licht te voorkomen. Om het doorschijnen van het licht te voorkomen, zijn er meerdere methoden:

Masker

We kunnen een masker van karton maken, wat we in een ruimte of gebouw plaatsen. In dit masker laten we openingen vrij voor de ramen die wél verlicht moeten worden. De naden van het masker dienen zorgvuldig afgedicht te worden.

Schoolbordenzwart

Wanneer we het maken van een kartonnen masker teveel werk vinden, kunnen we de wanden aan de binnenkant ook donker verven. We kunnen schoolbordenzwart aanbrengen op de verdiepingsscheidingen (vloeren/plafonds). De naden dienen we ook zeer goed af te dichten.
Vergeet ook niet een paar ramen met schoolbordenzwart lichtdicht te maken.

Oververhitting

Kijk uit voor oververhitting van de huisjes of gebouwen. Houd tussen de lampjes en brandbare materialen voldoende ruimte. Schakel ook niet teveel lampjes parallel.

Industrieverlichting

Een veel gebruikte verlichting in de industrie is de ronde metalen kap met een lamp in het midden. Deze is goed te gebruiken als loods en/of halverlichting, hangend aan de hanenbalken (zie afbeelding 02).

Lampekap01.jpg Lampekap02.jpg Lampekap miniatronics03.jpg
Afbeelding: 01 Afbeelding: 02 Afbeelding: 03
Segmenten gemaakt van dun messing plaat De lampekapjes aan de lampjes gesoldeerd Een in de handel verkrijgbaar lampje met lampekap
Foto gemaakt door: Herwim Frank Foto gemaakt door: Herwim Frank Foto gemaakt door: Herwim Frank

De lampekapjes in het voorbeeld werden als volgt gemaakt:
Met een metaalpasser worden twee cirkels van ongeveer 7 mm en 30 mm uitgezet op een messingplaatje van 0,1 mm. dikte. Na het uitknippen van de cirkel wordt hiervan ongeveer ¼ deel verwijderd. De maat ¼ is afhankelijk van de schuinte van de kap die we willen hebben. Schuif de uiteinden een klein stukje over elkaar en soldeer dit aan elkaar. Zorg er daarbij voor dat het kapje nog om het lampje past. De lampekapjes kunnen we bedraden met dunne geïsoleerde draden of, zoals in het voorbeeld (als loodsverlichting) de fittingen met twee stukken uitgevlochten koperader van bijv. een stuk schemerlampsnoer doorverbinden en dit geheel met een paar toefjes lijm bevestigen aan de hanenbalken. Wanneer we de koperleidingen een kleurtje geven, zien ze er uit als echte leidingen, die we meestal volop tegenkomen in dergelijke hallen.

De doe-het-zelf-methode is alleen geschikt voor fabriekslampen die niet direct in het zicht komen i.v.m. hun grove uiterlijk, veroorzaakt door de toch wel grote fitting. Test voor het vastsolderen van het lampekapje even uit op welke plaats dit het beste vastgezet kan worden. Hoe dichter bij de gloeidraad het kapje zit, hoe kleiner de uitgestraald lichtbundel wordt.
Hangen de lampekapjes in het zicht, dan kunnen we beter kant-en-klare rijstkorrellampjes nemen, met twee draadjes (zie afbeelding 03).

De elektrische aansluiting

Elk gebouw krijgt, afhankelijk van het aantal lichtgroepen, twee of meer aansluitingen voor de spanningtoevoer. Bij meerdere lichtpunten zouden we kunnen kiezen voor gescheiden spanningtoevoer zodat bijv. de verlichting beneden en boven afzonderlijk in te schakelen is.

De verbinding voor één lichtpunt kan worden gerealiseerd met de bekende banaanstekker en contrastekker. Bij meerdere aansluitpunten in een gebouw zijn DIN-pluggen zeer handig. We hebben dan de mogelijkheid om meerdere groepen via aparte leidingen van spanning te voorzien.

Koppel aan de aan de onderkant van de treintafel de bedrading van het gebouw d.m.v. een stekker en contrastekker (bijv een DIN-plug) aan de aparte ringleiding voor de verlichting of aan een aanwezig vast aansluitpunt. Op deze manier kunnen we, bij eventuele storingen, het gebouw gemakkelijk loskoppelen van de tafel, zonder eerst de bedrading los te moeten maken.

Bij lampjes hoeven we niet op de polariteit te letten. Bij lampjes is het wel van belang dat er, i.v.m. het maximale vermogen van de trafo, zoveel mogelijk in serie geschakelt worden.

Aansl-hanglampjes-par-rk.png Aansl-hanglampjes-ser-rk.png
Afbeelding: 04 Afbeelding: 05
Lampen parallel aangesloten op lichtaansluiting van rijregelaar Lampen in serie aangesloten op lichtaansluiting van rijregelaar
Tekening gemaakt door: Ronald Koerts/Fred Eikelboom Tekening gemaakt door: Ronald Koerts/Fred Eikelboom

In tekening 05 staan 4 lampen in serie. Daar de voeding 14 volt is, zullen de lampen op een iets lagere spanning werken. Dit verlengd de levensduur.

Stroomverbruik

Bij een analoge baan heeft de rijregelaar vaak een extra aansluiting voor lampjes, meestal 14 volt wisselspanning, aangegeven met (~). Wanneer er op een lichtaansluiting lampjes aangesloten worden, moeten we letten op het maximaal toe te passen aantal lampjes. Als er te veel lampjes aangesloten worden, wordt de totaalstroom te hoog en raakt de trafo overbelast. Een voorbeeld: We hebben een rijregelaar met een 14 volt lichtaansluiting, welke een maximale stroom mag leveren van één ampère. We gaan nu kijken wat beter uitkomt, parallel of serie.

  1. Parallelschakeling (zie afbeelding 04)

De lampjes van toepassen hebben bijvoorbeeld een stroomverbruik van 40 milliampère. We kunnen dan theoretisch 1000 / 40 = 25 lampjes aansluiten op de één ampère uitgang. In de praktijk is het verstandig om er iets minder aan te sluiten (bijv. 22 stuks), anders wordt de trafo na verloop van tijd behoorlijk warm.

  1. Serieschakeling per vier (zie afbeelding 05 en 06)

Wanneer we de lampjes per vier in serie schakelen, hebben we lampjes nodig met een verbruik van 40 milliampère, geschikt voor een werkspanning van minimaal 1/4 van de voedingspanning. Deze verbruiken per vier in serie 40 milliampère. We kunnen dan theoretisch 1000 / 40 = 25 × vier lampjes = 75 lampjes aansluiten op de één ampère uitgang. In verband met de warmteontwikkeling in de trafo zouden we dan het beste 66 stuks aan kunnen sluiten. Dus lampjes per vier in serie, aansluiten is het meest economisch qua stroomverbruik.

Zekeren

Zekeringen01.png
Afbeelding: 06
Groepen lampjes apart gezekerd
Schema gemaakt door: Fred Eikelboom

Op punt 1, 2, 3 en 4 in schema 06 staan nu vier groepen van vier lampjes getekend. In werkelijkheid kunnen dit bijvoorbeeld 42 groepen van vier zijn, elk met eigen zekering en schakelaar. Het vermogen van de trafo bepaalt uiteindelijk hoeveel groepen er kunnen worden aangesloten.

Bij het bedraden van de verschillende verlichtingsaansluitingen dienen we rekening te houden met de stroomsterkte die door de bedrading loopt. Vanaf de transformator dienen voldoende dikke draden naar de CVL te lopen. Bij gebruik van bijvoorbeeld een 70 VA trafo mag maximaal 4,3 ampère afgenomen worden. Bij kortsluiting kan er echter een stroom van meer dan 10 ampère gaan lopen. Iets om terdege rekening mee te houden. Bij het aansluiten van verlichting (=lampen) op een trafo dient altijd een zekering toegepast te worden (zie afbeelding 04 en 05). Zonder zekering is de kans zeer groot dat bij eventuele kortsluiting de bedrading door oververhitting vlam vat! Wanneer we een trafo met groot vermogen gebruiken, bijvoorbeeld 70 VA, dan verdient het sterke aanbeveling om de lichtgroepen onder te verdelen m.b.v. vier (of meer) glaszekeringen van 5 × 20 mm. (zie afbeelding 06). De zekeringen plaatsen we zo dicht mogelijk bij de transformator. Bij o.a. Conrad zijn zekeringhouders voor glaszekeringen verkrijgbaar, welke heel simpel op een stuk printplaat te solderen zijn (zie Meer informatie).

De waarde van de individuele zekeringen is afhankelijk van het stroomverbruik van de groep lampjes die er mee verbonden is. We nemen het totale stroomverbruik en vermenigvuldigden dat met de factor 1,2. Verbruikt groep 1 bijv. 825 milliampère, dan berekenen we de waarde van de zekering als volgt: 0,825 × 1,2 = 0,99 ampère. We nemen dan voor Z1 een zekering van één ampère (zie afbeelding 06).

Het type van de zekeringen moet "Traag" zijn. Dit is aangegeven op de zekering. Op de zekering staat dan de code xxAT. xx staat dan voor de stroomsterkte. Wanneer deze aangegeven is met de letter "A" gaat het om ampère. Er kan echter ook xx mA op de zekering staan, dan betreft het de stroomsterkte in milliampères. De T betekent dat het om een trage zekering gaat.

Let-op.jpg
  LET OP
Gebruik altijd zekeringen. Bij kortsluiting bestaat kans op oververhitting en brandgevaar!!

Houd daarbij ook goed in gedachten dat een nieuwe zekering veel goedkoper is, dan de forse brandschade die ontstaat bij een kortsluiting.

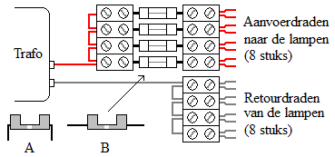
De bedrading

Kroonsteen-verdeelstuk01.jpg Verdeelstuk02.png
Afbeelding: 07 Afbeelding: 08
Verdeelstuk met kroonsteenstrip Verdeelstuk met zekeringen en kroonsteenstrip
Foto gemaakt door: Jan (nickname: 44 op het BNLS-forum) Tekening gemaakt door: Fred Eikelboom

Om de lampen aan te sluiten dienen we de draden van voldoende doorsnede te hebben. Uitgaande van 10 ampere per vierkante mm;

  • mag er door een draad met een doorsnede van 0,14mm2 maximaal 1,4 ampere stroom lopen.
  • mag er door een draad met een doorsnede van 0,25mm2 maximaal 5 ampere stroom lopen.

Maar,.... dan hebben we het nog niet over het spanningverlies.
Opmerking van Klaas Zondervan:
"Stel dat er tussen een voeding van 14 volt en de verbruiker 10 meter afstand zit. Dat is 20 meter draad en dat heeft bij 0,14mm2 een weerstand van 2,5 ohm. Stuur je daar 1,4A door, dan verlies je over de weerstand van de draad 3,5V. Dus van je 14V blijft nog maar 10,5V over. Ga je uit van een afstand van 30 meter dan wordt het verlies 3 keer zo erg, dus 10,5V. Hou je nog maar 3,5V over!"
Sluit dus, om spanningverlies te voorkomen een draad van minimaal 1mm2, vanaf de trafo, op een verdeelstuk aan. Vergeet hierbij de zekeringen niet! Het ansluiten kan met gewone kroonsteentjes. We lussen de aanvoerdraad door naar de andere aansluitingen, zoals in afbeelding 07 aangegeven is. Het verdiend sterk aanbeveling om adereindhulzen voor enkele- of dubbele ader (bijv. Conrad bestelnummer 611794 enkel of Reichelt Twin bestelnummer 332533) te gebruiken. Deze voorkomen dat bij meerdere aders in één kroonsteenklem één van de aders niet goed vastzit. Strip een stukje isolatie van de mantel. Draai de aders in elkaar en doe de aders samen in een adereindhuls, knijp het metalen gedeelte van de adereindhuls vast om de draad met een combinatietang, knip het metalen gedeelte op lengte, zodat dit helemaal in de kroonsteen past en steek dan de adereindhuls in de kroonsteen.
Vanaf de zekeringen (na het verdeelstuk) gaat de bedrading met een doorsnede van 0,25mm2 naar de diverse groepen lampen. Om de zekeringen aan te sluiten gaan we te werk volgens tekening 08. Het gemakkelijkst is om de Conrad zekeringhouders, bestel nummer 1367476 - 8J te gebruiken. De aansluitpinnen, die normaliter in de print worden gesoldeerd (zie afbeelding 8A) buigen we om, zoals in afbeelding 8B aangegeven is. Daarna kunnen we de zekeringhouder heel simpel in de kroonsteen monteren.
Eventueel monteren we nog schakelaars in de bedrading naar de lampen (zie ook: afbeelding 06).

Centrale voedingsleiding (CVL) voor de verlichting

Ringleiding-voorbeeld01.jpg
Afbeelding: 09
Voorbeeld van een ringleiding
Foto gemaakt door: Marc de Leeuw (nickname MC op het BNLS-forum)

Het verdient aanbeveling om onder de treintafel een aparte CVL (drie- of meer draden van minimaal 1 mm2) aan te leggen voor de verschillende verlichtingsgroepen (zie afbeelding 09). We kunnen dan de bebouwing heel simpel op de ene of de andere groep aansluiten. De centrale leiding voorzien we dan via twee of meerdere schakelaars van spanning.

Plaatsen van huisjes/gebouwen

Voor het op zijn plaats houden, zijn een een aantal mogelijkheden:

  1. We kunnen een gebouw op zijn plaats houden met één of twee kleine magneetjes. Op of onder de tafel plaatsen we een plaatje ijzer. Dan verschuift het gebouw of huisje niet, maar is wel weer heel eenvoudig te verwijderen of eventueel te verplaatsen.
  2. Lijm met twee-componentenlijm een houten balkje onder het gebouw. Daar doorheen in het midden een slotbout, welke met bijv. twee-componentenlijm in het balkje vastgezet wordt. Dan boren we in de treintafel een iets ruimer gaatje voor de slotbout. Bij het plaatsen valt de slotbout door het gat. Vleugelmoer er op aan de onderkant van de tafel, en het gebouw zit vast.

Meer informatie

Encyclopedie:
Relevante informatie over modelbaanverlichting
Externe websites:
Glaszekeringhouder voor printmontage
Adereindhuls 0,5 mm kwadraat.
Adereindhuls 1 mm kwadraat.

 

Externe websites:
Adereindhuls 1,5 mm kwadraat.
Adereindhuls 2,5 mm kwadraat.
Tams lichtcomputers.
Adereindhuls 0,5 mm² twin.
Adereindhuls 1,0 mm² twin.
Adereindhuls 1,5 mm² twin.
Adereindhuls 2,5 mm² twin.
Staande perronlampen.
Van Perlo lichtcomputer.



Hoofdpagina  Categorie-index  Index  Menu
Vorige | Volgende
Contact met de redactie: Contact met de redactie 

Laatste wijziging: 30 nov 2024 11:14 (CET)